Tricox ellenőrző idom kondenzációs gázkéményhez PP 80

Tricox ellenőrző idom kondenzációs gázkéményhez PP 80
  • Tricox ellenőrző idom kondenzációs gázkéményhez PP 80

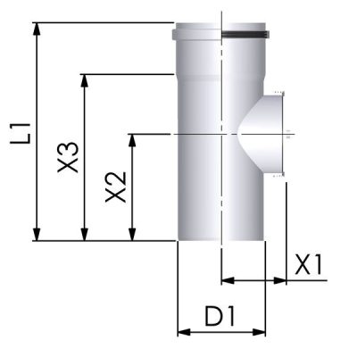
A Tricox PEE20 80 mm átmérőjű, polipropilén, kondenzációs gázkémény egyenes ellenőrző idom méretei:

  • L1: 270 mm
  • X3: 208 mm
  • Átmérő: 80 mm

A Tricox PEE20 80 mm átmérőjű, polipropilén, kondenzációs gázkémény egyenes ellenőrző idom tulajdonságai:

  • A Tricox PEE20 80 mm átmérőjű ellenőrző idom kondenzációs gázkazánok égéstermék elvezető, illetve levegő beszívó kelléke.
  • A Tricox szimpla falú, 80 mm átmérőjű, polipropilén kéményrendszer kondenzációs gázkazánok osztott, vagy kéményaknában alkalmazott füstgázelvezetésénél használatos égéstermék elvezető rendszer.

Adatok

Szállítási határidő:
3-10 munkanap
Cofidis azonosító:
131
Érdeklődjön az áruházban!
Irány a webshop
    Irány a webshop

    Iratkozz fel azhírlevélre

    és értesülj elsőként újdonságainkról, akcióinkról!