HAJDU STXL160C 160 literes indirekt HMV tároló hőszivattyús rendszerekhez

HAJDU STXL160C 160 literes indirekt HMV tároló hőszivattyús rendszerekhez
  • HAJDU STXL160C 160 literes indirekt HMV tároló hőszivattyús rendszerekhez
  • HAJDU STXL160C 160 literes indirekt HMV tároló hőszivattyús rendszerekhez

Kiváló teljesítmény és sokoldalúság

A Hajdu STXL 160C típusú álló indirekt HMV tároló kifejezetten hőszivattyús rendszerekhez lett tervezve, de bármilyen hőtermelővel kompatibilis. Nagy hőcserélő felületének köszönhetően ideális választás kondenzációs kazánokhoz, alacsony hőmérsékletű fűtési rendszerekhez és fűtési-hűtési hőszivattyús alkalmazásokhoz.

Prémium minőségű kialakítás

A tartály belső felülete tűzzománcozott acéllemezből készült, amely kiváló korrózióállóságot és hosszú élettartamot biztosít. A megbízhatóság érdekében aktív anóddal is ellátták, amely segít a vízminőség függvényében kialakuló korrózió elleni védelemben.

Kiváló hőszigetelés a gazdaságos működésért

A belső tartályt vastag poliuretán hőszigetelés veszi körül, amely minimalizálja a hőveszteséget, így hosszú ideig megőrzi a melegvizet. Ez hozzájárul az energiatakarékossághoz és a fenntartható működéshez.

Elektromos fűtőbetéttel is fűthető

A Hajdu STXL 160C elektromos fűtőbetéttel is kiegészíthető, ez lehetővé teszi a melegvíz előállítását kazán vagy más hőforrás nélkül is. így akkor is biztosított a melegvíz amikor a kazán / hőszivattyús hőforrás nem áll rendelkezésre.

Könnyű telepítés és biztonságos használat

Fagymentes környezetben telepíthető, és a hidraulikus és elektromos csatlakozások előírás szerinti kialakításával garantálja a biztonságos üzemeltetést. Beépíthető nyomáscsökkentő és biztonsági szeleppel a maximális biztonság érdekében.

Műszaki adatok

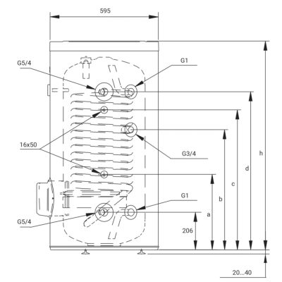
  • 160 liter űrtartalom
  • Névleges nyomás: 10 bar
  • Hőcserélő felület: 2,05 m²
  • Hőcserélő űrtartalom: 13,8L
  • Álló kivitel,
  • Tűzzománcozott belső felület
  • Aktív anód védelem

Adatok

Arukereso.hu basket disabled:
0
Oversize:
0
306 980 Ft
Irány a webshop
  • Készlet: raktáron

  • Szállítási költség: ingyenes

  • Szállítási idő: max 3 nap

Irány a webshop

Iratkozz fel azhírlevélre

és értesülj elsőként újdonságainkról, akcióinkról!