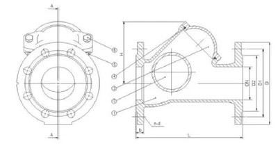
Golyós visszacsapó szelep DN50 PN16 karimával

Golyós visszacsapó szelep DN50 PN16 karimával
  • Golyós visszacsapó szelep DN50 PN16 karimával
  • Golyós visszacsapó szelep DN50 PN16 karimával

Jellemzők:
• Teljes keresztmetszetű áramlás
• Öntisztító golyó
• Alacsony tömítési nyomás
• Függőleges és vízszintes szerelés
• Csendes működés
• Ellenőrző kamra a labda tisztításához és cseréjéhez

Műszaki adatok:
A termékek megfelelnek az alábbi szabványok követelményeinek:
EN1092-2 PN16 és AS4087, AS4087 (AS2129 E táblázat),
ISO 228-1 a BSP menetekhez,
A kategóriájú ISO5208 szabvány,
EN558-1 48-as sorozat (DIN3202 F6).
Menetes szelep átmérő tartomány: DN25-től (1") DN65-ig (2-1/2").
Karimás szelepek átmérője: DN50-től DN100-ig.
Maximális üzemi nyomás: 16 bar.
Minimális ellennyomás a tömítettség garantálásához: 0,3-0,5 bar.
Tesztelt nyomás:
golyós foglalathoz: 1,1 × normál nyomás,
– a test számára: 1,5 × normál nyomás.
Alkalmazási hőmérséklet tartomány 10-80°C.
A szelepek beépítési hossza, valamint a karimák és menetek csatlakozási méretei megfelelnek a fent említett szabványok követelményeinek.
A folyadék áramlásának helyes irányát a szelepen keresztül a testen lévő nyíl jelzi .
A tartós és egyszerű felépítés hosszú távú, problémamentes működést garantál.
A szelepzár (zsalu) egy sima golyó, amely szennyvízálló EPDM réteggel van bevonva. A golyó szabad forgása miatt abban a foglalatban, amelybe a folyadékáram hatására kerül, a labda megtisztul a közeg által szállított szilárd frakcióktól.
A szelepek csavarral zárható ellenőrző nyílással rendelkeznek az ellenőrzéshez és a kényelmes tisztításhoz nem szabványos szennyvíztartalom bejutása esetén.
Anyagok:
Test: gömbgrafitos vas,
Golyó: acél/NBR,
O-gyűrű: EPDM,
Ellenőrző burkolat: gömbgrafitos vas,
Csavar: AISI 304 rozsdamentes acél,
Anya: AISI 304 rozsdamentes acél,
Alátét: AISI 304 rozsdamentes acél.

Adatok

Csőcsatlakozás:
DN50
Max nyomás:
16 bár
Gyártó:
IBO Lengyelország
Arukereso.hu Szállítási Idő:
1
Arukereso.hu Szállítási Költség:
FREE
FreeDelivery:
1
22 990 Ft
Irány a webshop
    Irány a webshop

    Iratkozz fel azhírlevélre

    és értesülj elsőként újdonságainkról, akcióinkról!