GÁZ PRESS 15 T egál

GÁZ PRESS 15 T egál
  • GÁZ PRESS 15 T egál

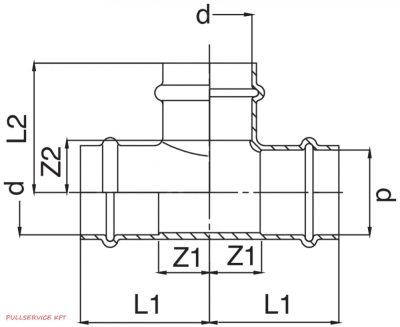
Áramlásoptimalizált, vörösrézből (99,9% Cu-?DHP), vörösöntvényből vagy szilíciumbronzból készült présidomrendszer vörösréz csövekhez. A présidomok a tömítőelem védelme érdekében hengeres csőbevezető toldattal vannak ellátva. A présidomok d64,0 mérettől nemesacél vágógyűrűvel rendelkeznek a kötés mechanikus terhelhetőségének biztosításához. A préselés a tömítőelem előtt és mögött is megtörténik (kettős préselés). Felszállóvezetékek és szinti leágazások vakolat elé és alá történő szereléséhez alkalmas.

Jelölés
Gyártó, csőátmérő, gyártási azonosító, engedélyezési jelölések (DVGW), sárga pont a présvégen, sárga négyszög »Gas MOP 5 / GT1« felirattal, narancssárga lehúzható matrica préselésjelzőként d64,0-től

Adatok

Márka:
Pullservice
1 850 Ft
Irány a webshop
    Irány a webshop

    Iratkozz fel azhírlevélre

    és értesülj elsőként újdonságainkról, akcióinkról!