DAB Evoplus B Small 60/220.32 M keringető szivattyú, karimás

DAB Evoplus B Small 60/220.32 M keringető szivattyú, karimás
  • DAB Evoplus B Small 60/220.32 M keringető szivattyú, karimás
  • DAB Evoplus B Small 60/220.32 M keringető szivattyú, karimás

DAB Evoplus B Small 60/220.32 M karmiás keringető szivattyú, Q max: 7.2 m3/h, H max: 6.1 m, 220mm, DN32, 230V

Alacsony energiafogyasztású fűtési és légkondicionáló rendszerekhez kifeljesztett elektronikus keringetőszivattyúk (lakóépületek, társasházak és bérházak, iskolák, otthonok, stb.) Megfelelően méretezett és telepített elektronikus vezérlésű nedvestengelyű szivattyúkkal folyamatosan biztosítani lehet a megfelelő tömegáramot akkor is ha különböző igények lépnek fel a helyiségekben, esetleg fűtési ágak zárása vagy nyitása jelentkezik és ezzel egyidejűleg kisebb zajszint mellett, magasabb kényelmi komfort és jelentős üzemeltetési költség csökkenés érhető el. Könnyen érthető és kezelhető szabályzó felülettel rendelkeznek. Menetes és karimás kivitelben kaphatók.

A régi elektronikus szivattyúktól eltérően az EVOPLUS keringető szivattyúk használhatók kondícionáló berendezésekben is, ahol a keringetett folyadék hőmérséklete alacsonyabb mint a környezeti hőmérséklet. Ekkor kondenzvíz lecsapódás jelentkezik a szivattyú külsején de ez nem károsítja sem az elektronikát sem a mechanikai részt. A különleges konstrukció lehetővé teszi a kondenzvíz elvezetést anélkül, hogy a beépített alkatrészek károsodnának.

Konstrukciós jellemzők


Monoblokk keringető szivattyú mely öntvény hidraulikus részből és úszó forgórészes szinkron motorból áll. A motor házrésze alumínium. A spirál formájú szivattyúház magas hidraulikus teljesítménnyel bír a gondos tervezés és a csiszolt belső felületek miatt. A csőrendszer tengelyvonalában állnak a torokrészek. A szóló verzió hőszigetelő héjjal van ellátva mely a kondenz lecsapódás ellen is véd. Az iker verziónál a hőszigetelés kialakítása a felhasználó feladata. Itt igen fontos szempont, hogy a hőszigetelésnek nem szabad elzárnia a kondenzvíz levezető labirint rendszert mivel az megakadályozná a szivattyú helyes működését! A kisberendezéseknél használt EVOPLUS szivattyúk egyszerűen egy konnektor és egy tartozék csatlakozó dugóval köthetők be az elektromos hálózatba mely gyors és egyszerű.

Könnyen kezelhető felület

A könnyen tanulható kezelői felületnek köszönhetően egyszerű a vízszállítási teljesítmények beállítása. A kezelő panel jól olvasható OLED kijelzője, a négy egyszerű navigációs gomb, a lefutó menü, a mobiltelefonos lehetőségek, a sokrétű használhatóság forradalmian új termékké teszik az EVOPLUS-t. Megbízható, robosztus kivitel modern, innovatív design-al párosulva esztétikai szempontból is kompletté teszik a terméket.

Az ErP 2009/125/CE (korábban EuP) irányelvnek megfelelő kis, közepes és nagy fűtési rendszerekben használatos elektronikus keringető szivattyúk új sorozata. Megfelel az Európai Irányelv ErP 2015-től életbelépő követelményeinek.

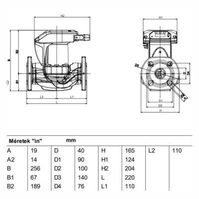
Műszaki adatok

TULJDONSÁGADAT
Nettó tömeg7,3 kg
TípusEVOPLUS B SMALL 60/220.32 M
FunkcióKeringetőszivattyú
Feszültség230 V
Csatlakozó méretDN32
Max. emelőmagasság6,1 m
Max. vízszállítás7,2 m³/h
Teljesítmény120 W
Magasság280 mm
Szélesség280 mm
Mélység185 mm
Védettségi fokozatIP44
Csatlakozás kialakításaKarimás

Adatok

Arukereso.hu basket disabled:
0
Oversize:
0
196 900 Ft
Irány a webshop
  • Készlet: nem rendelhető

Irány a webshop

Iratkozz fel azhírlevélre

és értesülj elsőként újdonságainkról, akcióinkról!